JRBSupplier
BerandaProdukMerekTentangKontak

Perusahaan

  • Tentang
  • Kontak

Produk

  • Produk
  • Kategori
  • Merek

Tautan Cepat

  • Beranda
  • Blog

Kontak

  • +6285121062779
  • info@jrbsupplier.com
  • Cilegon, Banten

© 2026 JRB Supplier. Hak cipta dilindungi.

ProdukRelaysTemperature monitoring relaytemperature monitoring relay Pt100
Aktif

temperature monitoring relay Pt100

Nomor Part: 3RS2500-2AA30

Merek

Siemens
SiemensKunjungi Situs Web

Kategori

Temperature monitoring relay

Permintaan WhatsApp

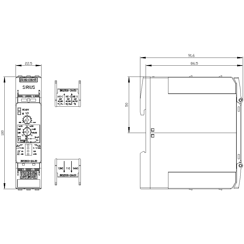
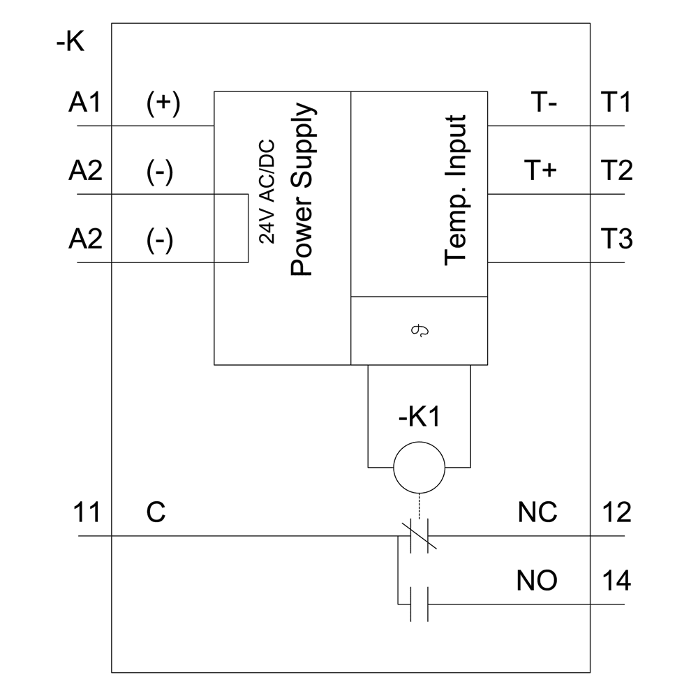
Siemens 3RS2500-2AA30. temperature monitoring relay Pt100, thermocouple J, K 1 threshold value, width 22.5 mm overshoot and undershoot 24 V AC/DC 1 change-over contact, quiescent current principle spring-loaded terminal (push-in).

Spesifikasi

Mechanical

Net Weight0.153 kg

Dimensions

Width22.5 mm
Height100 mm
Depth90 mm

Other

— upwards0 mm
— forwards0 mm
— backwards0 mm
— downwards0 mm
— at the side0 mm
fastening methodscrew and snap-on mounting onto 35 mm DIN rail
product functiontemperature monitoring
mounting positionany
product brand nameSIRIUS
degree of pollution3
display version LEDYes
product designationTemperature monitoring relay
design of the productAnalog multifunction device, 1 sensor, 1 threshold value
product type designation3RS2
relative metering precision5 %
Substance Prohibitance (Date)05/01/2012
number of measuring circuits1
type of electrical connectionspring-loaded terminal (push-in)
material of switching contactsAgSnO2
operating frequency rated value50 ... 60 Hz
test voltage for isolation test4 kV
design of the sensor connectableResistance sensors: Pt100 Thermocouples: Type J, K
design of the electrical isolationgalvanic isolation
protocol is supported IO-Link protocolNo
reference code according to IEC 81346-2K
control supply voltage at DC rated value24 V
influence of the surrounding temperature0.05% per K deviation from T20
contact reliability of auxiliary contactsone incorrect switching operation of 100 million switching operations (17 V, 5 mA)
control supply voltage 1 at DC rated value24 V
relative humidity during operation maximum70 %
shock resistance according to IEC 60068-2-2711g / 15 ms
certificate of suitability relating to ATEXNo
number of CO contacts for auxiliary contacts1
number of NC contacts for auxiliary contacts0
number of NO contacts for auxiliary contacts0
type of voltage of the control supply voltageAC/DC
vibration resistance according to IEC 60068-2-610 ... 55 Hz: 0.35 mm
electrostatic discharge according to IEC 61000-4-26 kV contact discharge / 8 kV air discharge
EMC emitted interference according to IEC 60947-1Class B
field-based interference according to IEC 61000-4-310 V/m
mechanical service life (operating cycles) typical10 000 000
buffering time in the event of power failure minimum20 ms
contact rating of auxiliary contacts according to ULR300 / B300
installation altitude at height above sea level maximum2 000 m
ampacity of the output relay at AC-15 at 250 V at 50/60 Hz3 A
supply voltage frequency for auxiliary and control circuit50 ... 60 Hz
continuous current of the DIAZED fuse link of the output relay6 A
electrical endurance (operating cycles) at AC-15 at 230 V typical100 000
thermal current of the switching element with contacts maximum5 A
product component removable terminal for auxiliary and control circuitYes
continuous current of DIAZED fuse link of the output relay safety-related2 A
insulation voltage for overvoltage category III according to IEC 60664 with degree of pollution 3 rated value300 V

Unduhan

3RS2500-2AA30_doc_03RS2500-2AA30_doc_13RS2500-2AA30_doc_23RS2500-2AA30_doc_33RS2500-2AA30_doc_43RS2500-2AA30_doc_53RS2500-2AA30_doc_63RS2500-2AA30_doc_73RS2500-2AA30_doc_83RS2500-2AA30_doc_93RS2500-2AA30_doc_103RS2500-2AA30_doc_113RS2500-2AA30_datasheet.pdf

Pertanyaan yang Sering Diajukan

Anda Mungkin Juga Suka

temperature monitoring relay Pt100 by Siemens

Siemens

temperature monitoring relay Pt100

3RS2500-1AW30

temperature monitoring relay Pt100 by Siemens

Siemens

temperature monitoring relay Pt100

3RS2500-2AW30

Temperature monitoring relay with display for resistance temperature sensors and thermocouples by Siemens

Siemens

Temperature monitoring relay with display for resistance temperature sensors and thermocouples

3RS2600-1BA30

temperature monitoring relay Pt100 by Siemens

Siemens

temperature monitoring relay Pt100

3RS2500-1AA30

FOUR WIRE CONNECTION LEAD TO CONNECT SICAM FCM TO CAPACITIVE LRM VOLTAGE DETECTION SYSTEMS LENGTH 30 CM ONE END CABLE END SLEEVES OTHER END FLAT SOCKET by Siemens

Siemens

FOUR WIRE CONNECTION LEAD TO CONNECT SICAM FCM TO CAPACITIVE LRM VOLTAGE DETECTION SYSTEMS LENGTH 30 CM ONE END CABLE END SLEEVES OTHER END FLAT SOCKET

6MD2322-0AA80-0AB3

DIRECTIONAL SHORT CIRCUIT AND EARTH FAULT DETECTOR VOLTAGE MEASUREMENT VIA CAPACITIVE VOLTAGE DIVIDER EARTH FAULT DETECTOR FOR LOW-POWER CURRENT SENSORS 1 BINARY INPUT 2 BINARY OUTPUTS MEASUREMENT/CALCULATION OF VALUES U by Siemens

Siemens

DIRECTIONAL SHORT CIRCUIT AND EARTH FAULT DETECTOR VOLTAGE MEASUREMENT VIA CAPACITIVE VOLTAGE DIVIDER EARTH FAULT DETECTOR FOR LOW-POWER CURRENT SENSORS 1 BINARY INPUT 2 BINARY OUTPUTS MEASUREMENT/CALCULATION OF VALUES U

6MD2322-1AA00-1AA0

DIRECTIONAL SHORT CIRCUIT AND EARTH FAULT DETECTOR VOLTAGE MEASUREMENT VIA RESISTIVE VOLTAGE DIVIDER by Siemens

Siemens

DIRECTIONAL SHORT CIRCUIT AND EARTH FAULT DETECTOR VOLTAGE MEASUREMENT VIA RESISTIVE VOLTAGE DIVIDER

6MD2321-1AA00-1AA0

LOW-POWER PHASE CURRENT SENSOR CLOSED CORE TYPE ACCORDING TO IEC 61869-10 RATIO: 225 MV@700 A INNER DIAMETER 82 MM ACCURACY CLASS: 0.2 (FCM V 3.30 ONWARDS) by Siemens

Siemens

LOW-POWER PHASE CURRENT SENSOR CLOSED CORE TYPE ACCORDING TO IEC 61869-10 RATIO: 225 MV@700 A INNER DIAMETER 82 MM ACCURACY CLASS: 0.2 (FCM V 3.30 ONWARDS)

6MD2320-0JA00-0BA1

Lainnya dari Siemens

No image

Siemens

WATER TRAP D TO DIN 16282 120 CEL/100 BAR

M56340-A0063

No image

Siemens

PRESSURE IMPACT REDUCER STAINLESS STEEL

M56340-A0059

No image

Siemens

WATER TRAP B TO DIN 16282 120 CEL/100 BAR

M56340-A0061

No image

Siemens

INSTRUMENT BRACKET

M56340-A0046

No image

Siemens

INSTRUMENT BRACKET

M56340-A0053

No image

Siemens

PRESSURE IMPACT REDUCER BRASS

M56340-A0054

No image

Siemens

INSTRUMENT BRACKET

M56340-A0047

No image

Siemens

INSTRUMENT BRACKET

M56340-A0079